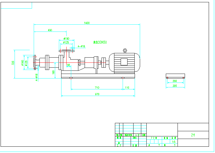
I-1B型不銹鋼304氟橡膠桶濃漿泵1.5寸2寸安裝尺寸圖
時間:2014-10-14 來源:揚子江泵業 瀏覽數:726
I-1B系列濃漿泵是單螺桿式容積回轉泵,該泵利用偏心單螺旋的螺桿在雙螺旋襯套內的轉動,使濃漿液沿螺旋槽由吸入口推移至排出口,實現泵的輸送功能。本泵廣泛應用于化工、制藥、釀造、造紙、食品等單位。
● 結構材質形式:
I-1BA型:殼體鑄鐵,傳動件為一般鋼材,適用于一般中性濃漿液輸送。
I-1BB型:傳動件(主軸、螺桿和繞軸)為不銹鋼制造,適用于一般微酸、堿漿液輸送。
I-1BF型:傳動件和接觸漿液的泵殼均由不銹鋼制造,適用于食品、制藥、堿漿液輸送。
橡膠襯套有一般耐磨橡膠、食品用橡膠和耐油橡膠供用戶選擇。
傳動方式有電機與泵軸直接傳動,電機經減速機與泵直接傳動和電機經三角皮帶輪與泵軸傳動供用戶選購。
配用電動機有一般封閉式,防爆式和電磁調速式電機。
● 產品特點:
①可輸送高濃度高粘度<10000PaS及含有顆粒的懸浮漿液。
②輸送液流穩定、無過流、脈動及攪拌、剪切漿液現象。
③排出壓力與轉速無關 ,低流量也可保持高的排出壓力。
④流量與轉速成正比,通過變速機構或調速電機可實現流量調節。
⑤自吸能力強,不用裝底閥可直接抽吸液體。
⑥泵可逆轉,液體流向由泵的旋轉方向來改變,適用于管道需反正向沖洗的場合。
⑦運轉平穩、振動、噪聲小。
⑧結構簡單、拆裝維修方便。
安裝尺寸圖:


感謝您訪問我們揚子江泵業的網站www.yzj.cc,如有任何水泵疑問我們一定會盡心盡力為您提供優質的服務。
- 下一篇:FY系列不銹鋼液下泵結構圖及性能參數
- 上一篇:增壓泵選型原則與步驟
